
- 聯系我們
- 公司名稱:天津茲維克傳動科技有限公司
- 銷售熱線:022-27921004
- 直線手機:17002269069
- 技術支持:13821920480
- 銷售傳真:022-27921004
- 企業郵箱:526297977@qq.com
- 地址:天津市武清區京津電子商務產業園綜合辦公樓1058室?
- AURORA AW-24T軸承相似產品
- AURORA MW-24T軸承
- AURORA KB-24-1軸承
- AURORA KW-24-1軸承
- AURORA HCOM-24KH軸承
- AURORA AM-24-1軸承
- AURORA MB-24T軸承
- AURORA AG-24-1軸承
- AURORA LCOM-24軸承
- AURORA AW-24T軸承
- AURORA KG-24-1軸承
首頁 >> AURORA關節軸承 >> 美國AURORA AW-24T關節軸承
AURORA AW-24T關節軸承
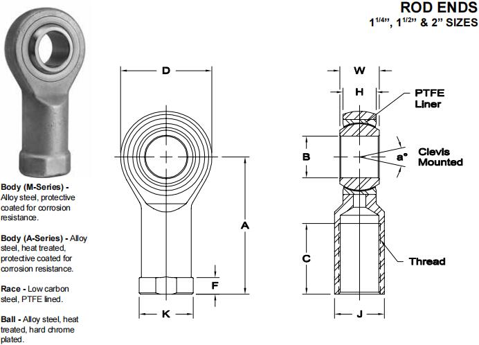
AURORA AW-24T關節軸承尺寸為:內徑:1.5mm,外徑:3.5mm,內圈厚度:1.375mm,外圈厚度:1.125mm,類型:右旋關節軸承,油潤滑參考轉速:-轉/分鐘,脂潤滑參考轉速:-轉/分鐘,精度等級:-,產地:美國。
本產品天津茲維克有售,本公司保證所銷售的AURORA AW-24T關節軸承產品為AURORA品牌原裝,假一罰十。購買咨詢熱線:022-27921004,13821920480,聯系人:翟先生
- AURORA關節軸承AW-24T圖紙

- AURORA AW-24T關節軸承詳細參數
| 軸承名稱 | AURORAAW-24T關節軸承 |
|---|---|
| 產品型號 | AW-24T |
| 內徑B(mm) | 1.5 |
| 外徑D(mm) | 3.5 |
| 內徑厚度W(mm) | 1.375 |
| 外徑厚度H(mm) | 1.125 |
| A± .010 | 5.375 |
| K± .010 | 2.25 |
| J± .010 | 2 |
| F± .010 | 0.875 |
| Ball Dia. Ref | 2.312 |
| C+ .062 ~ - .031 | 2.625 |
| Thread UNF-3B | 1 1/2-12 |
| a° Misalign. Angle | 8.75 |
| 徑向載荷Lbs | 115.61 |
| 類型 | 關節軸承 |
| 品牌 | AURORA |
| 重量lbs | 6.5 |
上一篇:AURORA AG-20T關節軸承<------>
下一篇:AURORA AG-24T關節軸承